altRobots
/robotigs/icons/actuator.pngActuatoren
/robotigs/icons/printboards.pngAlgemeen
/robotigs/icons/chassis.pngChassis
/robotigs/icons/florigs.pngFlorigs
/robotigs/icons/interfacing.gifInterfacing
/robotigs/icons/microphone_icon.pngMuziek
/robotigs/icons/musicKey_icon.pngMuzikanten
/robotigs/icons/shield.pngSchildjes
/sys/icons/sensors.pngSensors
/robotigs/icons/languages.pngTalen
/robotigs/icons/battery.pngVoedingen
/sys/icons/microController.pngµControllers
altContact
Motordriver H-brug/robotigs/icons/login_key.png    alt  

Deze pagina is verouderd. Ga naar de vernieuwde pagina.

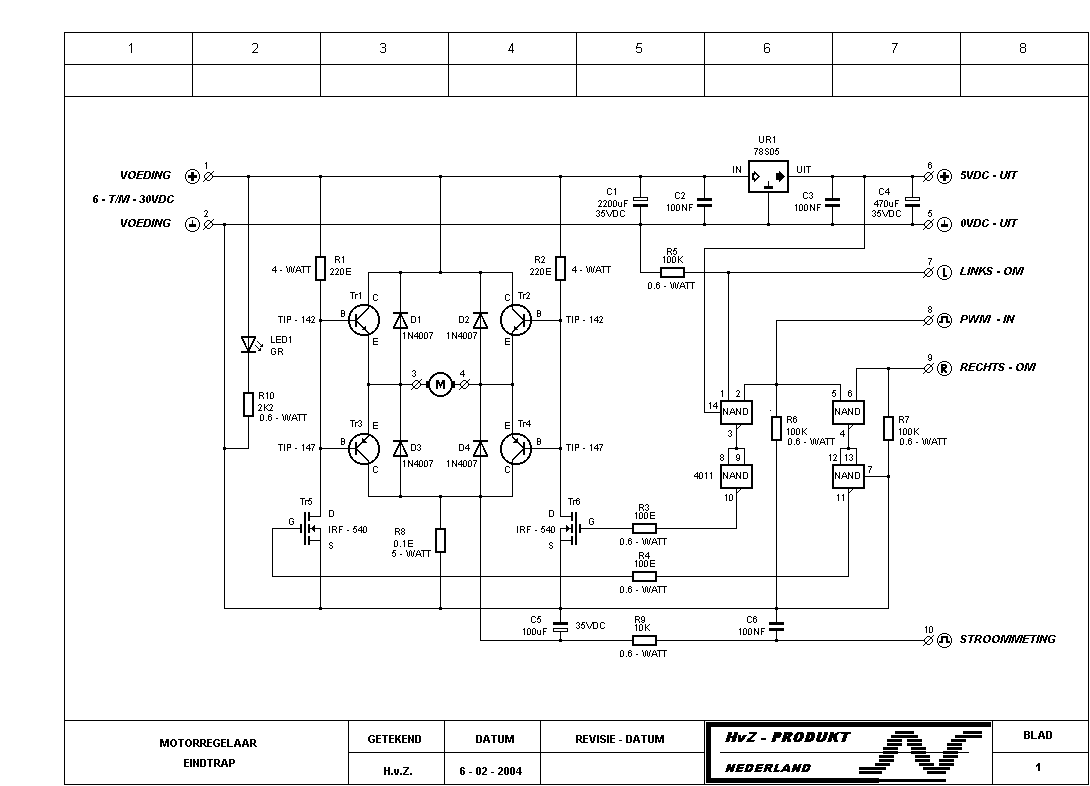
Een H-brug is het verbindingsstuk tussen uw motor en uw microcontroller. Uw microcontroller werkt hoogstwaarschijnlijk op TTL-nivo. Daarom gaan alle voorbeelden uit van 5Vdc en een aarde aan de controller kant.

Voorbeelden van toegepaste H-bruggen is bijvoorbeeld de motordriver module.


Algemene informatie over dit onderdeelAlgemene informatie test
Prijs indicatie  €  4,00
Menu groep  Actuatoren
Laatste verandering  2022-10-24

Software voor dit onderdeel
Messageclient3.bas  Atmel ATmega8
Motorcontroller1.bas  Atmel ATmega8
Motor_driver.asm  Atmel ATmega8
MotorDriver.bas  Atmel ATmega32
mrBlueMotordriverDisabled  Atmel ATmega32
mrBlueMotordriverEnabled  Atmel ATmega32

Warning: include(/var/www/html/robotigs/includes/wishlistperpart.php): Failed to open stream: No such file or directory in /var/www/html/robotigs/includes/parts_header.php on line 128

Warning: include(): Failed opening '/var/www/html/robotigs/includes/wishlistperpart.php' for inclusion (include_path='.:/usr/share/php') in /var/www/html/robotigs/includes/parts_header.php on line 128
Just wait till your 57....
Afb 1: Motor driver print

Just wait till your 57....
Afb 2: Zware H-Brug

Just wait till your 57....
Afb 3: H-brug schakeling